-
特征亮点:
角度多样且可定制
安装简单,设计紧凑
高密度LED阵列,高亮度
可选配漫射板,以适应不同的需要 -
应用领域:
IC芯片外观及字符检测
PCB基板检测
产品包装缺陷检测
产品标签检测
显微镜照明
通用外观缺陷检测
- 参数
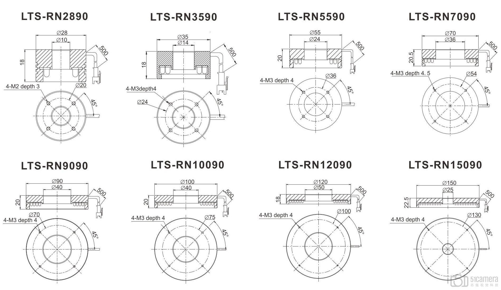
- 机械尺寸图
- 文档下载
- 软件及例程下载
- 常见问题解决
- 操作指导视频
- 成像图片
- 推荐搭配
| 产品号 | LTS-RNxxx90-R |
|---|---|
| 照明方式 | 环形 |
| 颜色 | 红 |
| 峰值波长/色温 | 620-630nm |
| 外形尺寸 | Φ 28mm x 18mm、Φ 35mm x 18mm、Φ 55mm x 20mm、Φ 70mm x 20.5mm、Φ 90mm x 20mm、Φ 100mm x 20mm、Φ 120mm x 18mm、Φ 150mm x 22.5mm、Φ 165mm x 22.5mm、Φ 200mm x 22.5mm等多种尺寸 |
| 功耗 | 24V / 0.5W ~ 24V / 32.4W,发光体尺寸越大功耗越大 |
| 推荐电源 | APC、DPC、STU |
| 重量 | — |
| 产地 | 国产 |
| 品牌 | LOTS乐视 |
| 推荐等级 | ★★★★★ |
| 客户评价 | ★★★★★ |
| 特殊说明 | 无 |
Datasheet 产品说明
- LOTS_RN_DS
User Manual 用户手册
Mechanical dimensions 机械尺寸
application case 应用案例
test report 测试报告
certification 认证
white paper 白皮书
- 暂无内容
-
暂无内容
» 在线咨询
更多附件请联系我们...
- 在线咨询
-
点击在线咨询了解更多产品信息,提供批量和OEM价格信息。 » 在线咨询
- 快速指南




