-
特征亮点:
紧凑外形,卓越价值
传感器升级
精确控制
高效的相机内自动化
-
应用领域:
表面贴装技术(SMT)
对准系统
镜头检测
监控
- 工业相机参数
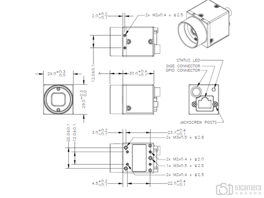
- 机械尺寸图
- 文档下载
- 软件及例程下载
- 常见问题解决
- 操作指导视频
- 成像图片
- 推荐搭配
| 产品号 | BFS-PGE-50Y2C-CS |
|---|---|
| 分辨率 | 2592 x 1944(503万) |
| 曝光方式 | 卷帘曝光 |
| 帧速度 | 24 fps |
| 感光光谱 | 彩色工业相机 |
| 感光芯片 | onsemi® AR0521 |
| 芯片类型 | CMOS |
| 像素大小 | 2.2 µm × 2.2 µm |
| 芯片尺寸 | 1/2.5” |
| 像素位深 | 10-bit / 12-bit |
| 输出格式 | Bayer 10-bit, 12-bit |
| 曝光控制 | 通过相机控制软件或者API编程设置曝光时间 外部触发信号脉宽控制曝光时长 |
| I/O数目 | 1 input / 1 output |
| 同步方式 | Free running 自由采集方式 外部触发信号硬触发方式 |
| 镜头接口 | CS接口 |
| 数据接口 | Gige |
| 外形尺寸 | 29 mm x 29 mm x 30 mm |
| 重量 | 36 g |
| 工作温度 | 0°C ~ 50°C |
| 电源要求 |
12 V,POE供电
|
| 典型功耗 | 3.5 W maximum PoE |
| 配套软件 | GigE Vision v1.2 |
| 符合标准 | CE, FCC, KCC, RoHS, REACH. The ECCN for this product is: EAR099 |
| 产地 | 进口 |
| 品牌 | TELEDYNE FLIR |
| 推荐等级 | ★★★★★ |
| 客户评价 | ★★★★★ |
| 特殊说明 | 无 |
Datasheet 产品说明
- DS_BFS-PGE-50Y2
User Manual 用户手册
Mechanical dimensions 机械尺寸
application case 应用案例
test report 测试报告
certification 认证
white paper 白皮书
- 图像采集与控制软件及开发包(SDK):
-
sapera_lt_860_sdk
点击链接进入软件及例程下载中心下载
实际成像图
暂无内容
目标实物图
暂无内容
产品实景图
暂无内容
- 在线咨询
-
点击在线咨询了解更多产品信息,提供批量和OEM价格信息。 » 在线咨询
- 快速指南












































