- 参数
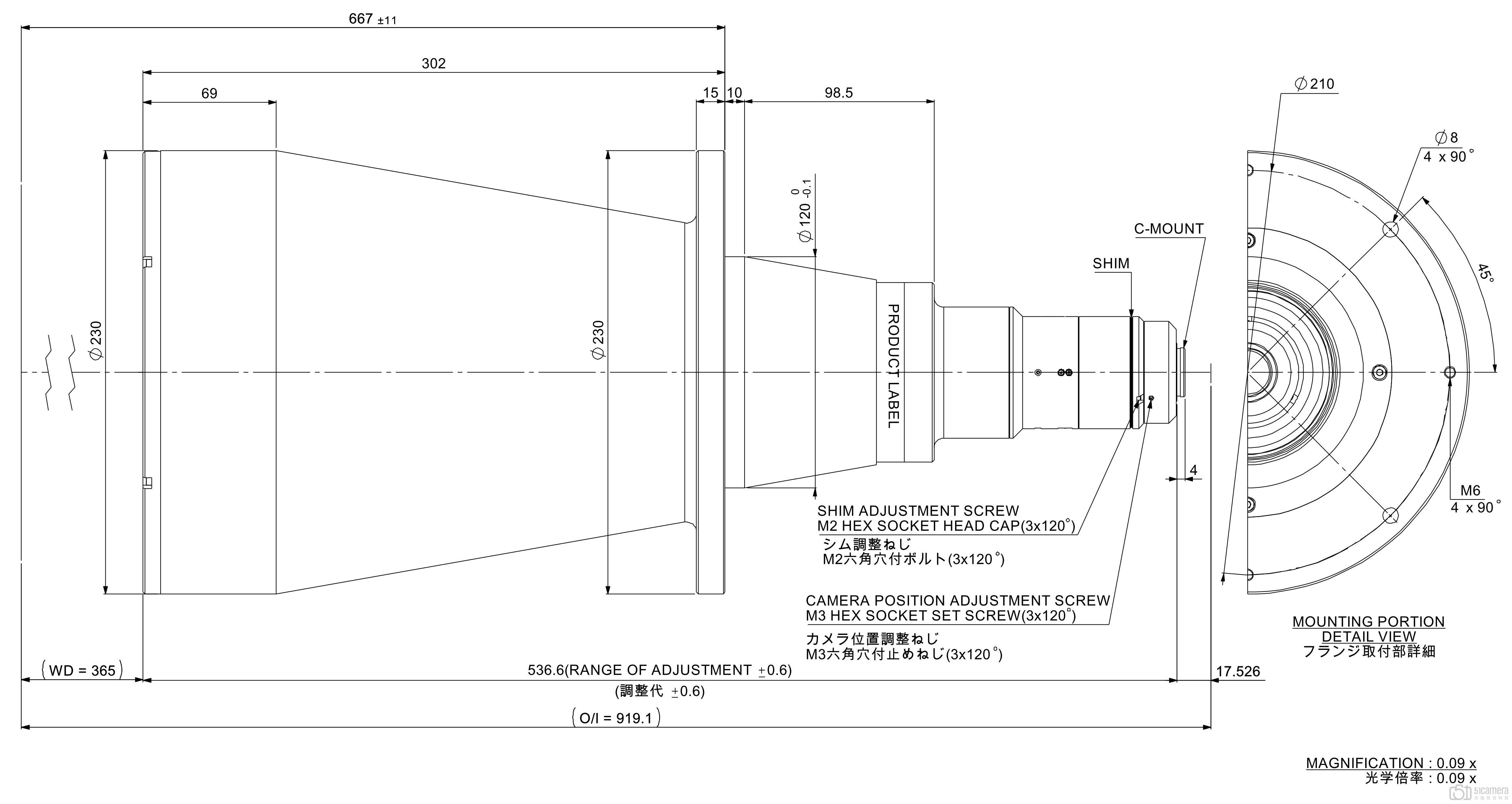
- 机械尺寸图
- 文档下载
- 软件及例程下载
- 常见问题解决
- 操作指导视频
- 成像图片
- 推荐搭配
| 产品号 | MTL-19518C-009 |
|---|---|
| 接口形式 | C |
| 倍率 | x0.095 |
| 实效F | 8 |
| 靶面 | 1.1″ |
| 工作距离 | 365mm |
| 物像间距离O/I | — |
| NA | — |
| 分辨率 | 53.6μm |
| 景深 | 71.3mm |
| 滤镜尺寸 | — |
| 照明方式 | — |
| 外形尺寸 | Φ230mm x 536.6mm |
| 重量 | 8170g |
| 产地 | 进口 |
| 厂商 | Moritex |
| 推荐等级 | ★★★★★ |
| 客户评价 | ★★★★★ |
| 特殊说明 | 无 |
Datasheet 产品说明
User Manual 用户手册
Mechanical dimensions 机械尺寸
application case 应用案例
test report 测试报告
certification 认证
white paper 白皮书
- 暂无内容
-
暂无内容
实际成像图
暂无内容
目标实物图
暂无内容
产品实景图
暂无内容
» 在线咨询
更多附件请联系我们...
- 在线咨询
-
点击在线咨询了解更多产品信息,提供批量和OEM价格信息。 » 在线咨询
- 快速指南











