-
特征亮点:
支持静态坏点校正功能,可以校正 sensor 缺陷点,缺陷点坐标可以自由增加或者删减
序列控制功能支持曝光、增益等参数配置
支持热像素校正、锐化、降噪、黑电平、参数组、计数器和定时器功能
支持亮度、对比度、Gamma、查找表、优化采集图像的亮度
支持大恒图像以及第三方图像采集卡 -
应用领域:
晶圆检测
AOI检测
光斑检测
医疗检测
- 工业相机参数
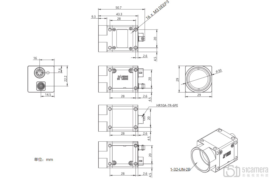
- 机械尺寸图
- 文档下载
- 软件及例程下载
- 常见问题解决
- 操作指导视频
- 成像图片
- 推荐搭配
| 产品号 | MER3-533-170X2M-SWIR F02 |
|---|---|
| 分辨率 | 2592 × 2056(543万) |
| 曝光方式 | 全局曝光 |
| 帧速度 | 170.71 fps |
| 感光光谱 | 黑白,短波红外 |
| 感光芯片 | Sony IMX992 |
| 芯片类型 | CMOS |
| 像素大小 | 3.45μm × 3.45μm |
| 芯片尺寸 | 1/1.4" |
| 像素位深 | 8 bit,10 bit,12 bit |
| 输出格式 | Mono8 / Mono10 / Mono12 |
| 曝光控制 | 通过相机控制软件或者API编程设置曝光时间 外部触发信号脉宽控制曝光时长 |
| I/O数目 | 1 路光耦隔离输入,2 路双向 GPIO |
| 同步方式 | Free running 自由采集方式 外部触发信号硬触发方式 |
| 镜头接口 | C口 |
| 数据接口 | CXP-12 × 1(HDBNC) |
| 外形尺寸 | 29(W) × 29(H) × 34(L) mm(不含 C 接口长度、航插长度) |
| 重量 | 60g |
| 工作温度 | 0° C ~ 45° C |
| 电源要求 | PoCXP 供电 |
| 典型功耗 | 4 W |
| 配套软件 | 支持大恒图像采集卡以及第三方图像采集卡配套软件 |
| 符合标准 | CE,RoHS,FCC,ICES,UKCA,CoaXPress2.0,GenICam |
| 产地 | 国产 |
| 品牌 | 大恒 |
| 推荐等级 | ★★★★ |
| 客户评价 | ★★★★ |
| 特殊说明 | 短波红外 |
Datasheet 产品说明
User Manual 用户手册
Mechanical dimensions 机械尺寸
application case 应用案例
test report 测试报告
certification 认证
white paper 白皮书
- 暂无内容
-
暂无内容
实际成像图
暂无内容
目标实物图
暂无内容
产品实景图
暂无内容
- 在线咨询
-
点击在线咨询了解更多产品信息,提供批量和OEM价格信息。 » 在线咨询
- 快速指南


































