-
特征亮点:
两种触发类型:帧开始(Frame Start)/ 帧高速连拍开始(Frame Burst Start)
两种曝光模式:标准曝光模式 / 极小曝光模式
Gamma、像素抽样、数字移位、黑电平
查找表、参数组、计数器和定时器功能
支持 Burst 采集、电平控制曝光功能
彩色相机支持环境光源预设、颜色转换、饱和度功能
黑白相机支持降噪
取消参数范围限制,可扩大曝光、增益、白平衡等参数的范围值
提供 16KB 用户数据区,保存算法系数、参数配置等 -
应用领域:
工业检测
轨道交通
科研
3D重构
- 工业相机参数
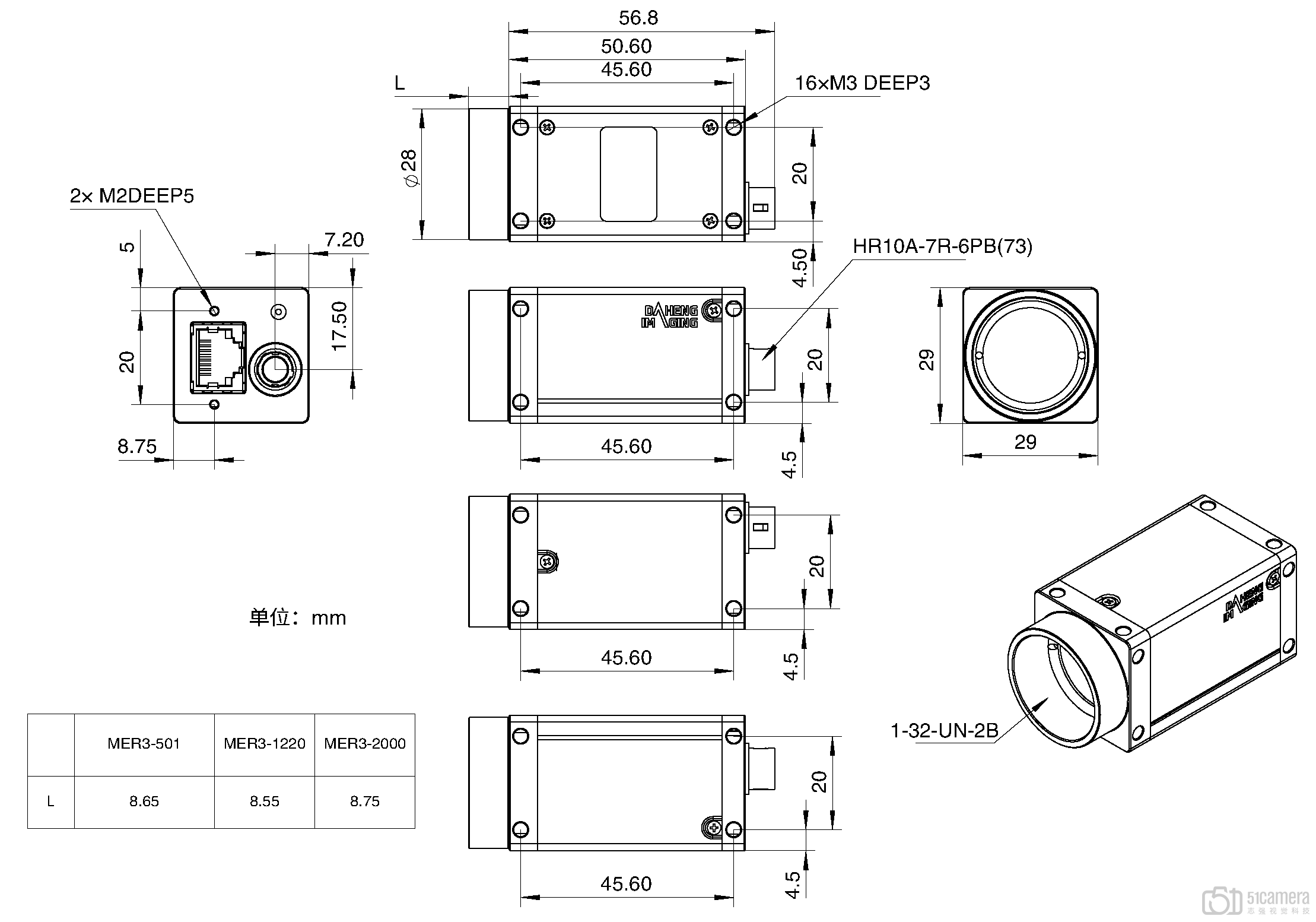
- 机械尺寸图
- 文档下载
- 软件及例程下载
- 常见问题解决
- 操作指导视频
- 成像图片
- 推荐搭配
| 产品号 | MER3-501-59G3M-P |
|---|---|
| 分辨率 | 2448 × 2048(501万) |
| 曝光方式 | 全局曝光 |
| 帧速度 | 56.05fps @ 2448 × 2048 可以调整包长到突发采集高速模式下,采集帧率可达67.90fps 8164 并且预留带宽到 5,帧率达到58.60fps |
| 感光光谱 | 黑白工业相机 |
| 感光芯片 | Sony |
| 芯片类型 | CMOS |
| 像素大小 | 3.45μm × 3.45μm |
| 芯片尺寸 | 2/3" |
| 像素位深 | 8 bit,12 bit |
| 输出格式 | Mono8 / Mono12 |
| 曝光控制 | 通过相机控制软件或者API编程设置曝光时间 外部触发信号脉宽控制曝光时长 |
| I/O数目 | 1 路光耦隔离输入,2 路双向 GPIO |
| 同步方式 | Free running 自由采集方式 外部触发信号硬触发方式 通过 Ethernet 软触发方式 |
| 镜头接口 | C口 |
| 数据接口 | 2.5GigE |
| 外形尺寸 | 29(W) × 29(H) × 50.6(L) mm(不含 C 接口长度、航插长度) |
| 重量 | 67 g |
| 工作温度 | 0° C ~ 50° C |
| 电源要求 | 12V / PoE |
| 典型功耗 | < 5.1 W |
| 配套软件 | 支持 HALCON,VisionPro,LabVIEW 等第三方软件 |
| 符合标准 | CE,RoHS,FCC,GigE Vision®,GenICam® |
| 产地 | 国产 |
| 品牌 | 大恒 |
| 推荐等级 | ★★★★ |
| 客户评价 | ★★★★ |
| 特殊说明 | 无 |
Datasheet 产品说明
User Manual 用户手册
Mechanical dimensions 机械尺寸
application case 应用案例
test report 测试报告
certification 认证
white paper 白皮书
- 暂无内容
-
暂无内容
实际成像图
暂无内容
目标实物图
暂无内容
产品实景图
暂无内容
- 在线咨询
-
点击在线咨询了解更多产品信息,提供批量和OEM价格信息。 » 在线咨询
- 快速指南





















