-
特征亮点:
相机自带可编程IO
支持外触发闪光灯同步拍照
支持 8 bit raw数据输出
与GIGE相机的SDK完全兼容,可无缝替换
一台电脑多个相机可稳定工作,长时间下不掉线、不丢帧
支持PC Linux系统和ARM Linux 系统,可集成于嵌入式设备中 -
应用领域:
电子3C
自动化半导体
物流扫码
智能交通
生物医疗
包装印刷
- 工业相机参数
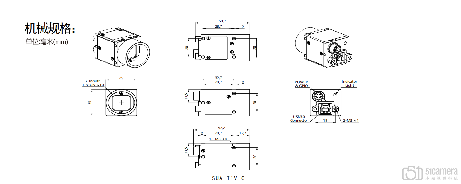
- 机械尺寸图
- 文档下载
- 软件及例程下载
- 常见问题解决
- 操作指导视频
- 成像图片
- 推荐搭配
| 产品号 | MV-SUA800C |
|---|---|
| 分辨率 | 3840x2160(800万) |
| 曝光方式 | 行曝光 |
| 帧速度 | 45.75fps |
| 感光光谱 | 彩色工业相机 |
| 感光芯片 | - |
| 芯片类型 | CMOS |
| 像素大小 | 2umx2um |
| 芯片尺寸 | 1/1.8" |
| 像素位深 | 8bit |
| 输出格式 | Bayer RG 8bit |
| 曝光控制 | - |
| I/O数目 | 1路光耦隔离输入,1路光耦隔离输出,1路非隔离输入输出 |
| 同步方式 | Free running 自由采集方式 外部触发信号硬触发方式 软触发方式 |
| 镜头接口 | C口 |
| 数据接口 | USB3.0 |
| 外形尺寸 | 29X29X32.7mm (不含镜头底座和后壳接口) |
| 重量 | <75g |
| 工作温度 | 0~50℃ |
| 电源要求 | USB 5V/航空头供电12V |
| 典型功耗 | <3W |
| 配套软件 | Directshow组件 Halcon专用组件 Labview专用驱动 OCX组件 TWAIN组件 |
| 符合标准 | - |
| 产地 | 国产 |
| 品牌 | 迈德威视 |
| 推荐等级 | ★★★★ |
| 客户评价 | ★★★★ |
| 特殊说明 | 无 |
Datasheet 产品说明
- DS_MV-SUA800C-M
User Manual 用户手册
Mechanical dimensions 机械尺寸
application case 应用案例
test report 测试报告
certification 认证
white paper 白皮书
- 暂无内容
-
暂无内容
实际成像图
暂无内容
目标实物图
暂无内容
产品实景图
暂无内容
- 在线咨询
-
点击在线咨询了解更多产品信息,提供批量和OEM价格信息。 » 在线咨询
- 快速指南


































