-
特征亮点:
环形低角度型
超强力频闪发光
可替换氙气闪光灯 -
应用领域:
金属表面的刻印、损伤及污垢检测
各种边缘提取检测
- 参数
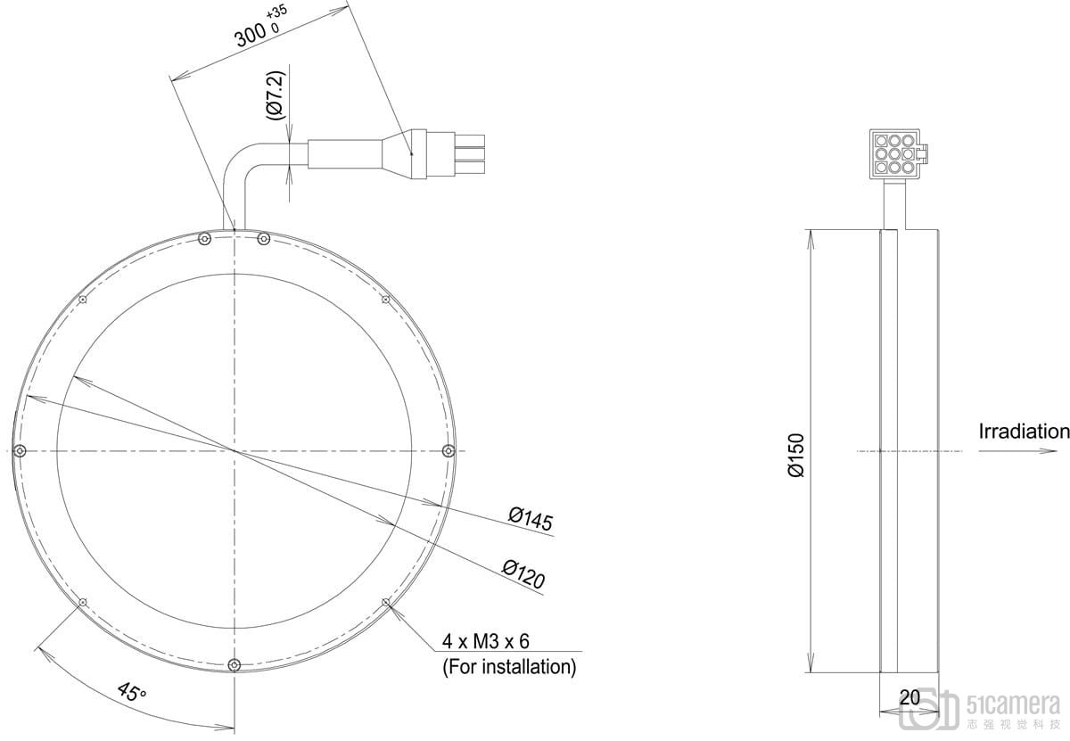
- 机械尺寸图
- 文档下载
- 软件及例程下载
- 常见问题解决
- 操作指导视频
- 成像图片
- 推荐搭配
| 产品号 | LDR-PF-150SW-LA |
|---|---|
| 照明方式 | 环形低角度 |
| 颜色 | 白色 |
| 峰值波长/色温 | 8000k |
| 外形尺寸 | 150mm x 120mmx20mm |
| 功耗 | 42.0 A |
| 推荐电源 | PF-A4048-2、PF-A16048-4 |
| 重量 | 350g |
| 产地 | 进口 |
| 品牌 | CCS |
| 推荐等级 | ★★★★★ |
| 客户评价 | ★★★★★ |
| 特殊说明 | 无 |
Datasheet 产品说明
- DS_FL_PF_c
- DS_FL_PF_e
User Manual 用户手册
- M_LDR-PF-LA_e
Mechanical dimensions 机械尺寸
application case 应用案例
test report 测试报告
certification 认证
- Regulations_e
white paper 白皮书
- 暂无内容
-
暂无内容
实际成像图
暂无内容
目标实物图
暂无内容
产品实景图
暂无内容
» 在线咨询
更多附件请联系我们...
- 在线咨询
-
点击在线咨询了解更多产品信息,提供批量和OEM价格信息。 » 在线咨询
- 快速指南




