-
特征亮点:
多线CMOS
速度快
噪声低 -
应用领域:
平板显示器、印刷电路板检测
太阳能电池检测
工业表面检测
铁路交通检测
食品药品检测
高分辨率文档扫描
- 工业相机参数
- 机械尺寸图
- 文档下载
- 软件及例程下载
- 常见问题解决
- 操作指导视频
- 成像图片
- 推荐搭配
| 产品号 | EV71YC4MCP1605-BH0 |
|---|---|
| 分辨率 | 16384*4 |
| 最高行频 | 100khz |
| 感光光谱 | 黑白 |
| 芯片类型 | CMOS |
| 像素大小 | 5µm*5µm |
| 像素位深 | 8,10,12bit |
| 输出格式 | Mono 8,mono10,mono12 |
| 曝光控制 |
通过相机控制软件或者API编程设置曝光时间
外部触发信号脉宽控制曝光时长
|
| I/O数目 | 2 |
| 同步方式 |
Free running 自由采集方式
外部触发信号硬触发方式
|
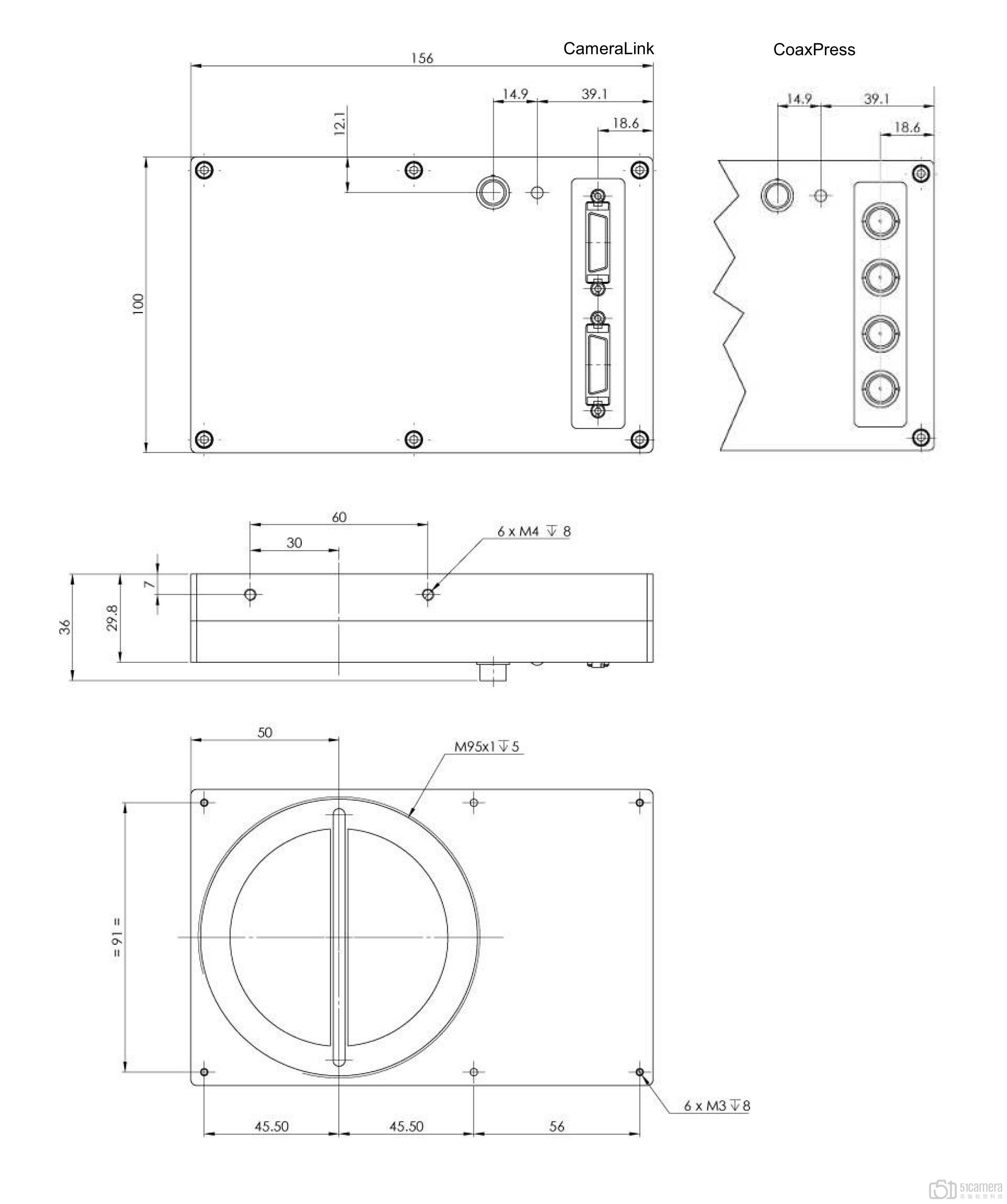
| 镜头接口 | M95 |
| 数据接口 | CoaXPress(CXP) |
| 外形尺寸 | 100*156*36 mm |
| 重量 | 700g |
| 工作温度 | 0-70℃ |
| 电源要求 | 12-24 |
| 典型功耗 | <9W |
| 配套软件 | E2VSDK |
| 符合标准 | CE, FCC and RoHS compliant |
| 产地 | 进口 |
| 品牌 | E2V |
| 推荐等级 | ★★★★ |
| 客户评价 | ★★★★ |
| 特殊说明 | 无 |
Datasheet 产品说明
User Manual 用户手册
Mechanical dimensions 机械尺寸
application case 应用案例
test report 测试报告
certification 认证
white paper 白皮书
-
图像采集与控制软件及开发包(SDK):
SetupE2vCLSoftware_Win64_x64
SetupE2vCLSoftware_Win32_i86
图像采集与控制软件安装包:
CLProtocol_Win64_x64
点击链接进入软件及例程下载中心下载
» 在线咨询
没有【推荐搭配】附件,更多附件请联系我们...
- 在线咨询
-
点击在线咨询了解更多产品信息,提供批量和OEM价格信息。 » 在线咨询
- 快速指南








