-
特征亮点:
支持自动或手动调节增益、曝光时间、白平衡、Gamma、LUT 校正等
支持自定义 ROI,支持水平镜像和垂直镜像
支持硬触发、软触发以及自由运行模式
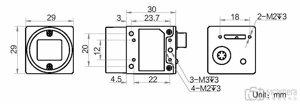
结构紧凑,外形尺寸 29 mm×29 mm×30 mm,适用于较小的安装要求
兼容 USB3 Vision 协议及 GenICam 标准,可与第三方软件平台无缝连接 -
应用领域:
电子半导体
工厂自动化
物流读码
饮料酒类瓶检
医药包装等
- 工业相机参数
- 机械尺寸图
- 文档下载
- 软件及例程下载
- 常见问题解决
- 操作指导视频
- 成像图片
- 推荐搭配
| 产品号 | MV-CA013-21UM(已停产) |
|---|---|
| 分辨率 | 1280×1024(131万) |
| 曝光方式 | 全局快门 |
| 帧速度 | 210 fps |
| 感光光谱 | 黑白工业相机 |
| 感光芯片 | OnSemi PYTHON1300 |
| 芯片类型 | CMOS |
| 像素大小 | 4.8 µm×4.8 µm |
| 芯片尺寸 | 1/2" |
| 像素位深 | 8/10/10p/12/12p bits |
| 输出格式 | Mono 8/10/10p/12/12p |
| 曝光控制 | 支持自动曝光、手动曝光、一键曝光模式 |
| I/O数目 | 1 路光耦隔离输入(Line0),1 路光耦隔离 输出(Line1),1 路双向可配置非隔离 IO(Line2) |
| 同步方式 | Free running 自由采集方式 外部触发信号硬触发方式 软触发方式 |
| 镜头接口 | C |
| 数据接口 | USB3.0,兼容 USB2.0 |
| 外形尺寸 | 29 mm×29 mm×30 mm |
| 重量 | 约 56 g |
| 工作温度 | 工作温度 0~50℃,储藏温度-30~70℃ |
| 电源要求 | 12 VDC,支持 USB3.0 口供电 |
| 典型功耗 | 3 W@5 VDC(USB 供电) |
| 配套软件 | MVS 或者兼容 USB3 Vision 协议的第三方软件 |
| 符合标准 | USB3 Vision,GenlCam |
| 产地 | 国产 |
| 品牌 | 海康 |
| 推荐等级 | ★★★★ |
| 客户评价 | ★★★★ |
| 特殊说明 | 无 |
Datasheet 产品说明
User Manual 用户手册
Mechanical dimensions 机械尺寸
- MV-CA013-21UMUC
- ZIP
application case 应用案例
test report 测试报告
certification 认证
white paper 白皮书
-
图像采集与控制软件及开发包(SDK):
MVS_STD_3.2.1_200609
在Linux系统下的开发包:
MVS_V2.0.0_200312(Linux X86)
点击链接进入软件及例程下载中心下载
» 在线咨询
没有【推荐搭配】附件,更多附件请联系我们...
- 在线咨询
-
点击在线咨询了解更多产品信息,提供批量和OEM价格信息。 » 在线咨询
- 快速指南






