-
特征亮点:
紧凑小巧
超高图像质量动态范围 -
应用领域:
智能交通
航空影像
机器人检查
- 工业相机参数
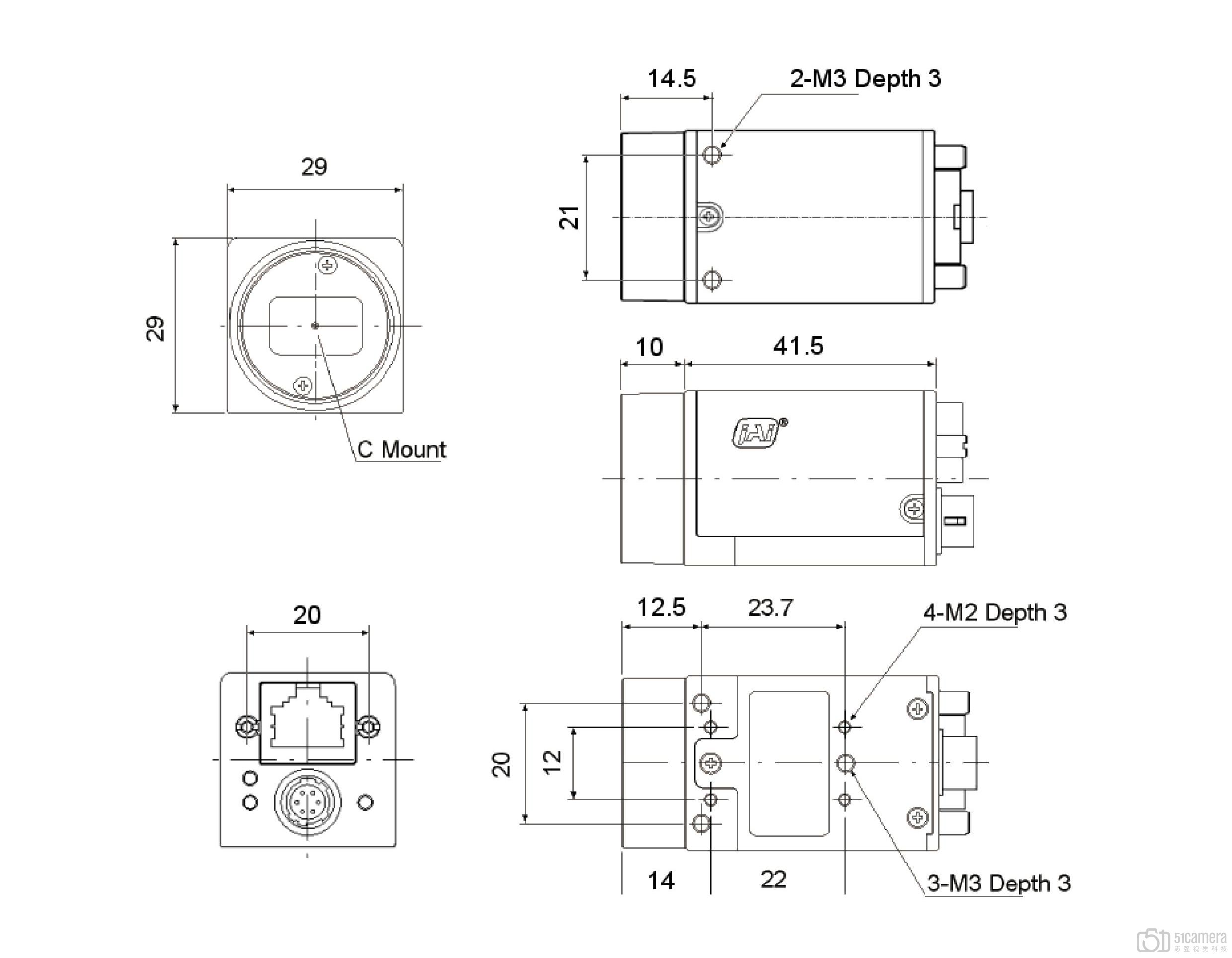
- 机械尺寸图
- 文档下载
- 软件及例程下载
- 常见问题解决
- 操作指导视频
- 成像图片
- 推荐搭配
| 产品号 | GOX-8901C-PGE |
|---|---|
| 分辨率 | 4096x 2160(885万) |
| 曝光方式 | 全局快门 |
| 帧速度 | 12FPS |
| 感光光谱 | 彩色工业相机 |
| 感光芯片 | IMX267 |
| 芯片类型 | CMOS |
| 像素大小 | 3.45µm x 3.45µm |
| 芯片尺寸 | 1" |
| 像素位深 | 8/10/12-bit |
| 输出格式 | Bayer8/10/12-bit |
| 曝光控制 |
通过相机控制软件或者API编程设置曝光时间
外部触发信号脉宽控制曝光时长
|
| I/O数目 | 2 GPIO ( 1 Inputs / 1 Outputs ) |
| 同步方式 |
Free running 自由采集方式
外部触发信号硬触发方式
|
| 镜头接口 | C |
| 数据接口 | GigE |
| 外形尺寸 | 29 x 29 x 51.5 mm |
| 重量 | 62g |
| 工作温度 | -5°C to +45°C |
| 电源要求 | +10V to +25V DC |
| 典型功耗 | 3.99W |
| 配套软件 | JAISDK |
| 符合标准 | CE、FCC |
| 产地 | 进口 |
| 品牌 | JAI |
| 推荐等级 | ★★★★ |
| 客户评价 | ★★★★ |
| 特殊说明 | 无 |
Datasheet 产品说明
User Manual 用户手册
Mechanical dimensions 机械尺寸
application case 应用案例
test report 测试报告
certification 认证
white paper 白皮书
- 暂无内容
-
暂无内容
- 在线咨询
-
点击在线咨询了解更多产品信息,提供批量和OEM价格信息。 » 在线咨询
- 快速指南











