暂无图片

LDL2-33X8SW2

LDL2-33X8SW2是日本CCS公司出产的 LDL2 系列条形光源,从线性封装LED的发光部照射直射光,可自由调节照射方向和照射角度,适用于广泛的用途。应用于字符读取检测、细长被测物体的损伤与外观检测、带发纹金属的损伤检测、线阵相机用光源、各种异物与有无检测等。

  • 特征亮点:

    从线性封装LED的发光部照射直射光

    采用表面贴装式 LED 的光源

  • 应用领域:

    字符读取检测
    细长被测物体的损伤与外观检测
    带发纹金属的损伤检测
    线阵相机用光源
    各种异物与有无检测

  • 参数
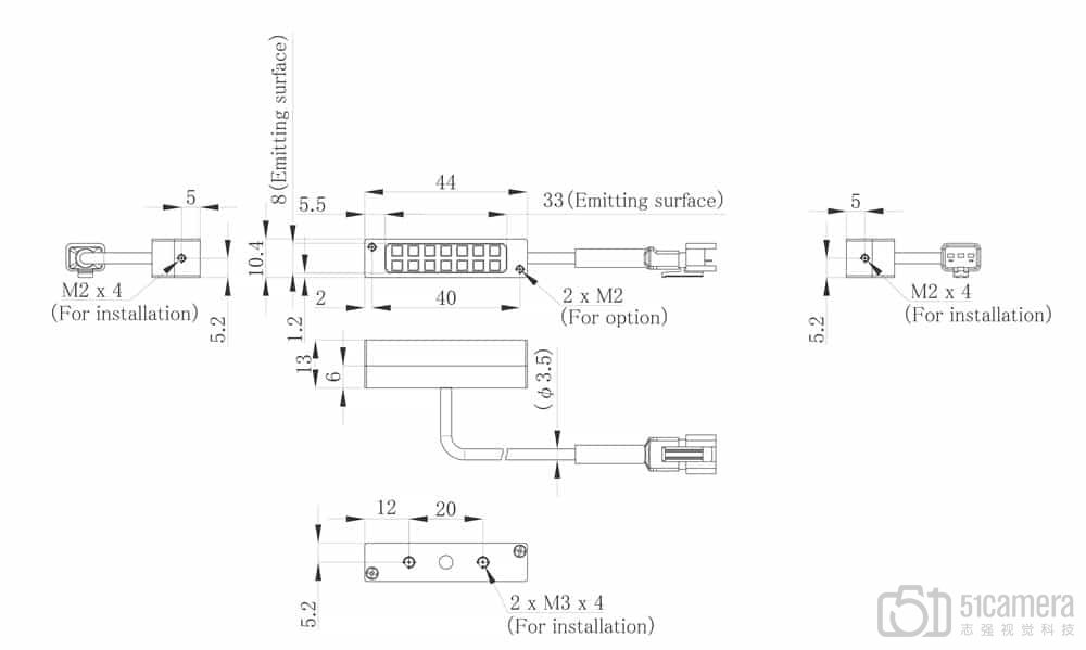
  • 机械尺寸图
  • 文档下载
  • 软件及例程下载
  • 常见问题解决
  • 操作指导视频
  • 成像图片
  • 推荐搭配
产品号 LDL2-33X8SW2
照明方式 条形
颜色 白色
峰值波长/色温 7000k
外形尺寸 W 44 mm x D 10.4 mm x H 13 mm
功耗 24V/2.1W
推荐电源 PD3、CC-ST-1024、PSB、POD
重量 20g
产地 进口
品牌 CCS
推荐等级 ★★★★★
客户评价 ★★★★★
特殊说明

机械尺寸(CAD)图请在"文档下载"中下载,点击下面图片查看大图。

Datasheet 产品说明

C_LDL2_e
PDF

User Manual 用户手册

M_LDL2-19x4_33x8_SW2_A_e
PDF

Mechanical dimensions 机械尺寸

LDL2-33X8SW2_e
PDF
LDL2-33X8SW2_e_dxf
ZIP

application case 应用案例

暂无文档

test report 测试报告

暂无文档

certification 认证

Regulations_e
PDF

white paper 白皮书

暂无文档
暂无内容

暂无内容

  • 对不起,你需要【高级会员】权限,请先 登录 注册 成为【高级会员】!!

实际成像图

暂无内容

目标实物图

暂无内容

产品实景图

暂无内容

没有任何附件

» 在线咨询 更多附件请联系我们...
在线咨询

点击在线咨询了解更多产品信息,提供批量和OEM价格信息。 » 在线咨询

快速指南
快速通道
产品选择器 产品选型助手 下载中心 新闻动态
0

请选择产品加入对比!
最多可同时对比四款同类产品

weixin erweima weixin telphone Up
登录显示内容...