-
特征亮点:
光源从底部发光,经过多次漫反射形成无影光源,均匀性好
-
应用领域:
表面凹凸不平、曲面、反光物体检测
包装表面检测
电子产品外壳污点杂质检测等
- 参数
- 机械尺寸图
- 文档下载
- 软件及例程下载
- 常见问题解决
- 操作指导视频
- 成像图片
- 推荐搭配
| 产品号 | JL-DM-262W |
|---|---|
| 照明方式 | 穹顶光 |
| 颜色 | 白光 |
| 峰值波长/色温 | 6200K-6700K |
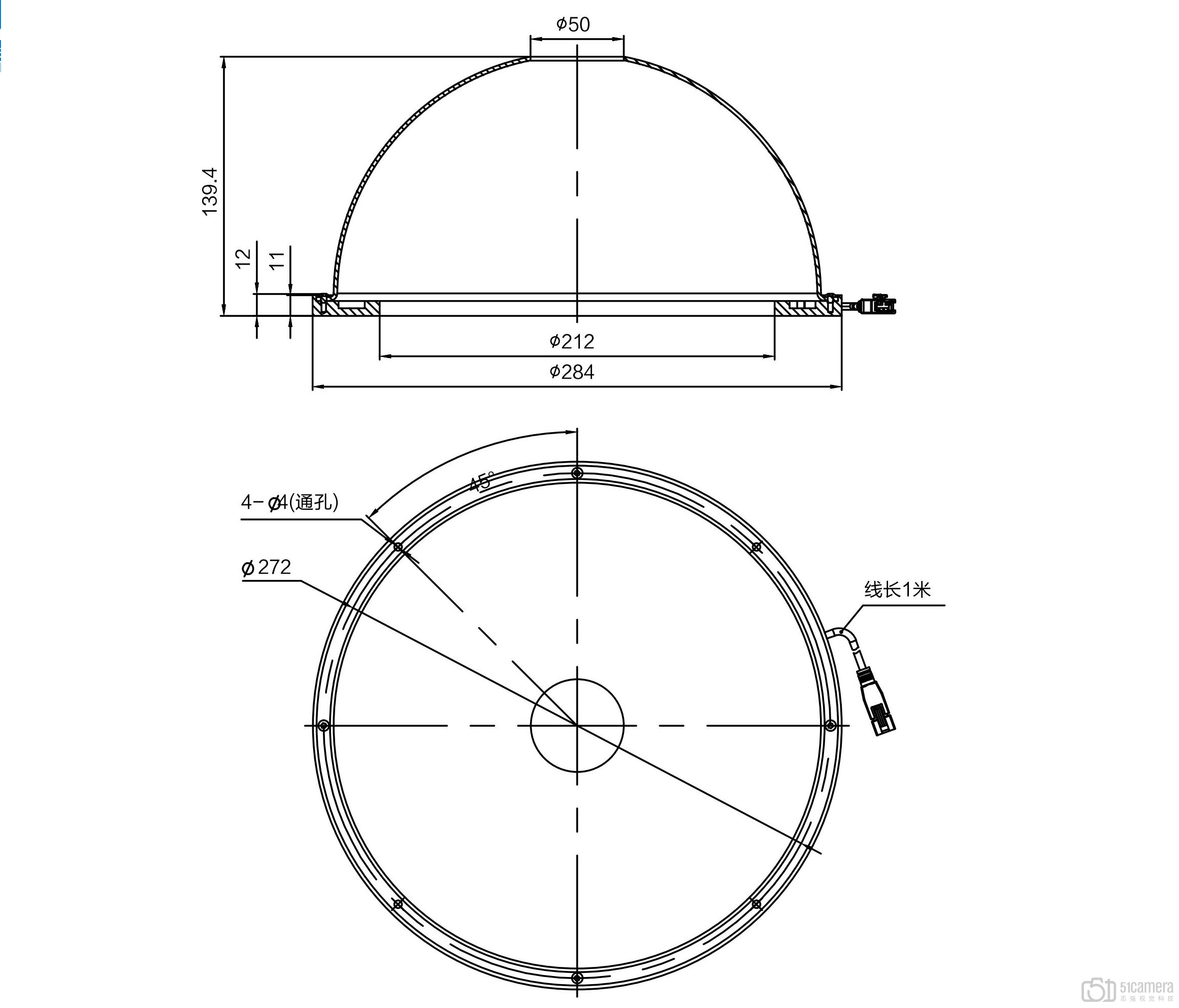
| 外形尺寸 | 284mm×139.4mm |
| 功耗 | 24V/17.4W |
| 推荐电源 | JL-APT3-24V-2 JL-APT3-24V-4 JL-APT-9624-2 JL-APS恒压系列 JL-APS2恒压系列 JL-STS2恒压系列 JL-APS4-15024-6 |
| 重量 | 1059g |
| 产地 | 国产 |
| 品牌 | 嘉励 |
| 推荐等级 | ★★★★ |
| 客户评价 | ★★★★ |
| 特殊说明 | 无 |
Datasheet 产品说明
- 暂无内容
-
暂无内容
» 在线咨询
更多附件请联系我们...
- 在线咨询
-
点击在线咨询了解更多产品信息,提供批量和OEM价格信息。 » 在线咨询
- 快速指南





